Alors que l’iPhone 5S ne sera commercialisé que le 20 Septembre prochain, une question que vous êtes nombreux à nous poser- reste en suspend : les coques iPhone 5 sont-elles compatibles iPhone 5S ?
Comme le montre très clairement le site AppleInsider, à priori non. Apple a publié sur le Developer Center un document destiné aux fabricants de coques pour iPhone. Le PDF insiste sur les dimensions des différents éléments composant le nouvel iPhone 5S et met ainsi en avant quelques subtilités entre ce dernier modèle et son prédécesseur.
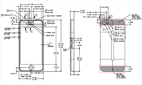
Concrètement ce sont surtout le bouton HOME et le nouveau Flash True Tone qui poseront problème. Le double flash est légèrement plus grand en hauteur et le nouvel anneau métallique entourant le bouton HOME augmente la taille de ce dernier. De ce fait de nombreuses coques destinées à l’iPhone 5 ne seront pas réutilisables sur l’iPhone 5S.
Fort heureusement la majorité des coques ne font que protéger le dos de l’appareil, le bouton HOME ne pose alors aucun problème pour ce type de protection. De plus certaines coques ne se contentent pas de laisser une très légère ouverture pour le flash à l’arrière de l’appareil, mais sont creusées sur une plus importante longueur permettant ainsi de libérer l’ensemble objectif/flash en conservant une hauteur suffisante.
Un exemple de coque (la fameuse « ZERO 5 » que vous pouvez retrouver sur notre boutique) dont l’ouverture se fait sur une hauteur suffisante
Ce type de coque semble alors pouvoir s’appliquer sur iPhone 5S. Apple précise cependant 2 conditions à la fabrication d’une coque pour iPhone 5S :
- La coque ne doit en aucun cas recouvrir la partie métallique du bouton HOME (qui sert actuellement à la reconnaissance d’empreintes digitales)
- Les parties hautes et basses de l’iPhone ne doivent en aucun cas être recouvertes par un conducteur, qui entrainerait des problèmes de réception
Bien entendu il ne s’agit là que de théories basées sur les dimensions données par Apple dans son document. Ce n’est qu’une fois l’iPhone 5S dans nos mains que nous pourrons nous faire un avis plus concret.


10 commentaires
Ça, ça risque d’être un gros problème, étant donner que j’ai commander le Bumper iPhone 5/5S proposer ici sur AppSystem. Est-ce que quelqu’un peut me dire si il sera toujours compatible ou non?
Je précise : Je parle bien du Bumper, pas de la coque Zéro.
Le bumper est compatible sans problème, il ne fait que contourner l’appareil qui a les mêmes dimensions :-)
Et pour la coque zéro 5 que j’ai commandé hier c’est bon ou pas?
Si l’on en croit les mesures du document oui c’est bon :-)
Et concernant le film de protection inclus dans le pack du zéro 5, il est également compatible??? Sa n’est pas trop juste avec le new touch ID????
Concernant les protections d’écran c’est malheureusement un peu plus compliqué. Le bouton Touch ID est un peu plus grand que l’ancien bouton HOME, donc apparemment aucune protection d’écran n’est compatible avec le nouvel iPhone.
Merci pour ta réponse j’ai reçu la coque hier il me tarde d’aller récupérer l’iPhone 5S
Merci beaucoup de m’avoir répondu ça me rassure, bonne journée.
J’espère que la coque zéro 5 s’adapte car je vous l’ai commandée hier pour mon futur 5S !!!
Dans le cas contraire j’espère bien que vous remboursez !!!
Ils sont trop fort Apple et en plus ils prennent les gens pour des cons avec le 5S 2 ou 3 changements par rapport au 5, et voilà comment il réussissent à arnaquer les fidèles de la pomme.